无论什么时候,农村自建房市场最受欢迎的还是二层楼。 尽管现在很多人都在建造三层甚至高层别墅,但二层建筑的主导地位仍然是不可动摇的钢结构小别墅,因为它对于大型住宅建筑来说非常重要。 对于大多数家庭来说,两层结构就足够了钢结构小别墅,确实没有必要花高价建造豪宅。 本期我们为大家推荐两栋最受欢迎的自建乡村别墅。 每栋建筑面积约120平方米,但两层结构设计有五间卧室和一间套房,非常实用。
第一组:

一栋东西对称结构的两层小别墅,建筑布局方正,外墙装饰采用红顶、文化石、真石漆的经典组合完成。 建筑底座为棕色,底层为黄色,顶层为白色。 外观颜色依次浅色,门框、窗框、建筑基线、屋檐均采用白色,突出建筑层次,多面屋顶更美观; 建筑设计尺寸:开间12米,进深11.5米,建筑面积130平方米,总建筑面积261平方米,砖混结构建造,总高度9.73米。


大楼入口处设有大厅,设计与餐厅融为一体,总面积25平方米。 大厅东侧有一间客厅,西侧和东北角有两间卧室,西侧有一间向阳的卧室,配有写字台,阴凉的一面与客厅之间有一间卧室。 公共浴室; 大厅后面有一个楼梯间。 13平米的大楼梯间非常宽敞。 楼梯下有一间杂物间。 楼梯间西侧设有厨房和储藏室。 储藏室紧邻厨房,非常适合存放食材; 二楼有一个大阳台,有一个客厅和四间卧室,向阳面有两间卧室,带阳台,还有一间带浴室的套房。
第二段:

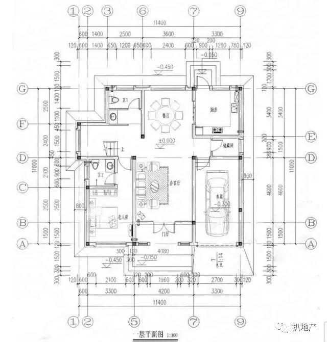
一栋二层自建别墅,带车库。 车库在东,入口在中间,二楼有露台。 大窗户设计更有利于采光。 还采用文化石和真石漆进行装饰,通体浅色。 它更加时尚和新鲜。 建筑一侧墙上的大型雕刻非常漂亮; 厚重的横梁屋顶非常实用; 建筑设计尺寸:开间11.4米,进深11米,建筑占地面积119平方米,总建筑面积230平方米。


该建筑有一个小门厅,入口处有一个客厅,东侧有一个车库,与室内相连。 西侧有一间套房,带浴室,采光充足。 客厅后面有餐厅,餐厅东边有厨房。 厨房打开后门,厨房和车库之间有一个狭小的空间。 餐厅西侧设有储藏室、公共浴室和楼梯间; 二楼有四间卧室,其中两间在向阳面,其中西侧有一间主卧室。 主卧室有书房、衣帽间、储物柜、阳台和浴室,室内还有一个小储藏室。 房间和公共浴室,带室外露台。
两种设计方案,五间卧室,一间带大厅和双客厅,一间带车库和露台,都是实用的布局,您有兴趣吗?

