


钢结构住宅是指采用建筑钢材制成的承重结构的建筑。 承重结构通常由型钢、钢板制成的梁、柱、桁架等构件组成。 与屋顶、地板、墙体等围护结构一起构成钢结构建筑。

1、钢结构住宅系统的选择
从已竣工的钢结构住宅来看,主要包括:
1)薄壁钢复合墙板形式;
2)纯框架形式;
3)框架支撑形式;
4)钢-混凝土组合形式;
5)钢框架-混凝土抗震墙模板等。
我们认为,这些结构形式各有特点。 其中钢结构阻尼比 规范,薄壁钢塑复合墙板形式特别适合定型产品。 其体系由墙板结构演变而来,即将薄壁钢柱构件按约600mm的间距布置,形成竖向承重结构与型钢之间安装支撑系统,抵抗水平力。 楼板按照竖向型钢的位置排列成密肋支撑结构。 由于上部结构为墙板式结构,根据受力情况,其基础设置为条形基础。 结构基础设施要求不高。 受结构密集的影响,薄壁钢塑复合墙板房屋对开间、门窗洞口、突出构件的尺寸有一定的限制。
后一种形式可以满足多高层住宅的设计要求,但从使用角度来看,存在一个共同的问题,即突出的梁、柱对住宅内部观感的影响。 与其他建筑相比,住宅有其自身的特殊性。 办公室、工厂可以采用相对固定的柱网,层高也较高。 梁柱所占据的空间给人一种合适的感知。 柱网的规则有利于梁的布置。
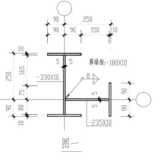
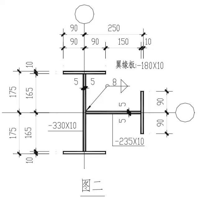
受短肢剪力墙结构的启发,笔者在钢结构住宅建筑设计中将钢柱设计成异形柱,以满足建筑变化的要求。 图1为两根异形钢柱的截面图。 根据建筑物墙体的厚度,采用面层厚度来设定翼缘宽度。 框架梁与异型钢柱各方向翼缘刚性连接。 图2是对应的节点连接细节。
异型钢柱示意图


异型钢柱梁柱节点详图


工业厂房设计中经常使用异型钢柱。 采用机架受力系统时,异型钢柱常设计成主力方向双轴对称或单轴对称。 厂房纵向支撑系统用于抵抗纵向水平力。 拉杆、支撑构件多与异形柱的弱轴心轴连接,便于利用杆系统软件进行结构的概念设计和计算。
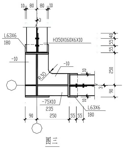
异形钢柱在住宅中的应用与厂房的设计有很大的区别。 下图是厂房梁柱连接方式和住宅梁柱连接方式的简单对比。

可见,住宅建筑中梁、柱的截面质心不在同一位置,不符合常规设计理念。 使用杆系统软件计算时无法解决离轴问题。
尽管如此,与短肢剪力墙结构相比,笔者认为异形柱由原来较大的矩形框架柱截面或整个混凝土墙修改为较小的截面积,这也减少了截面面积。相应的截面特征。 异型钢柱是在工字梁截面上增加T形截面,相应增加了弱轴方向的截面特性,特别是钢梁弱轴与钢结构之间的刚性连接节点柱体改造成与柱翼的连接。 边缘连接优于普通设计中工字钢柱弱轴方向加延伸连接板的刚性连接,加强了工字钢柱弱轴的稳定性钢结构阻尼比 规范,非常有利以保证结构安全。
一般认为工字钢柱弱轴刚性连接不可靠,因此很多施工手册推荐采用铰接框架加支撑系统或弱轴钢管柱设计方案。 抗震规范“柱在两个相互垂直的方向上与梁接触”。 刚性连接时宜采用箱形截面。 当仅在一个方向上刚性连接时,应采用工字形截面,并且柱腹板应放置在刚性连接框架的平面上。
2. 一般规定
1、钢结构住宅分为低层和多层。 低层建筑一般不超过3层,用于别墅; 多层建筑用于公寓。
2. 9层以上的建筑物被视为高层建筑。 10层至12层又称为小高层建筑。 抗震规范GB50011对12层以下和12层以上的建筑提出了不同的要求。 住宅钢结构一般不宜超过12层。
3. 钢结构的抗震性能与结构布置的规律性有很大关系。 结构布局不规则,地震时容易损坏。 除弹性设计外,还必须进行层间弹塑性位移计算。 因此,应尽量使结构布局符合常规要求。
4、住宅钢结构的布局应规则、对称。 住宅钢结构常见的布局不规则主要是不规则平面。 例如,平面形状不规则、L形等,特别是支撑剪力墙偏移、明显不对称等。如果楼板最大弹性水平位移超过质心水平位移的1.2倍,平面不规则,需要调整支撑剪力墙的配置。
3、设计细节问题
1. 选择合适的结构阻尼比进行整体计算。 根据抗震规范要求,除非另有规定,建筑结构的阻尼比应为0.05。 当阻尼比不等于0.05时,应对地震影响系数曲线进行修正,钢结构相关阻尼比选择值见表1。
表1 不同结构阻尼比应用值

从表1数据可以看出,不同的钢结构体系其地震影响系数不同。 如果结构分析时阻尼比选择错误,将对设计结果产生较大影响。 其中,钢管混凝土和钢-混凝土混合结构是两种材料共同作用的。 选择阻尼比时,应根据两种材料的应用比例综合考虑阻尼比。 结构的整体刚度越软,选择的阻尼比越低。

2 刚性连接柱座设计
常见的柱底座分为嵌入式、外包式和外露式。 裸露式多用于住宅设计。 与其他两种方法相比,更易于现场安装定位。
设计时应注意柱脚的刚度是通过底板的弹性变形或塑性变形来实现的。 这意味着整个结构的变形包括钢结构本身的变形和底板拉伸变形引起的整体变形。 例如,分析内力时,将裸露的柱基视为刚性柱基,设计时必须考虑层间位移角的限制。 同时应考虑底部钢柱弯矩反力点向下移动引起的柱顶弯矩的增加。
根据节点设计要求,为保证罕见地震时柱脚节点不先于钢柱失效,柱脚节点连接的极限弯曲承载力应大于全塑性弯曲荷载的1.2倍——钢柱承载力(Wpnx·f)。 常见的设计方法是根据柱脚反力来确定柱脚螺栓的直径和连接焊缝。 这样只能保证柱脚节点有一定的强度,在频繁的地震作用下不致损坏。 但柱脚弯矩设计所需的截面抗力模量一般小于钢柱本身的截面抗力模量(Wx)。 以H628X260X10X14工字钢为例,为1.2·Wpnx/Wx=1.36倍。 对于外露式来说很难满足这一设计要求。
另外两种柱基础方式在传递钢柱内力时可以轻松满足前述要求。 设计中传力清晰、计算容易、结构简单、节省钢材。 插入式立柱底座结构比嵌入式简单。 大多数书籍认为可靠性不如嵌入式。 建议用于单层钢结构厂房,不适用于高层建筑钢结构。
3、地坪设计要求
1、楼板除了承受垂直荷载并将其传递至框架外,还传递水平力至各柱,因此楼板平面内的刚度、完整性和承载能力也很重要。 作为建筑要求,住宅楼板也应该隔音。
2. 现在常用的有压型钢板复合楼板、复合板加现浇层、现浇楼板等。 这些类型的楼板的完整性非常好。 钢梁应组成组合梁,梁上应设置螺栓。
3、预埋件应安装在预制板内并焊接到钢梁上。
4、在强震区或重要建筑物,柱周围应设置钢筋、箍筋,防止水平力作用下柱压坏楼板。

4、梁、柱刚性连接设计
梁、柱之间的刚性连接计算可按普通设计法或全截面弯曲设计法进行。 当钢梁翼缘弯曲承载力大于全断面承载力的70%时,可采用通用设计方法进行设计。 当小于70%时,宜采用全断面弯曲设计方法。 在住宅设计中,钢梁多属于前者。 常用的设计方法的计算原理是翼缘和腹板分别承受弯矩和剪力。 一般认为计算简单,结果偏向安全。
事实上,根据多高层建筑钢结构梁、柱刚性连接节点的抗震设计和多高层建筑钢结构梁、柱刚性节点设计,很难无需任何处理即可实现钢梁、钢柱的螺栓焊接等强连接。 强节点和弱构件的设计要求包括加固节点设计的详细设计和施工说明。
主要有三种方法:在梁端翼缘上添加焊接楔形盖板、在梁端底部添加腰部以及狗骨式连接。 经过实际应用,笔者认为这三者都存在增加施工难度的问题。 第四种方法:加宽梁端翼缘的方法,但在标准图集中并未作为主要推荐方法介绍。 当建筑物对梁宽没有要求时,这种连接方法是最实用、方便的。

5.节点及支撑结构要求
1、节点设计应符合抗震规范和《高钢规范》的要求。
2、柱与梁通过小悬臂连接,可绕开梁与柱直接连接的结构难点。 这是一个好方法。 此时梁的拼接大多采用翼缘焊和腹板拼接,也可采用全断面螺栓连接。 在上述拼接中,腹板拼接必须考虑弯矩。
3、法兰坡口为全熔透焊缝,要求一流的焊缝,保证焊接质量。 有些标准规定压力容器只能采用一级焊缝。 这是一个误解。 压力容器很重要,梁翼缘与柱的连接也很重要。 不能使用二级。
4、梁与钢管混凝土柱之间的刚性连接现在可以使用外部加劲肋和内部隔断,这两种方式都是可以的。 但要注意钢管壁板与隔板或环板的厚度配合。
5.7层以上,框架支撑体系中的框架梁、柱宜采用刚性连接。
6、支架与钢管混凝土连接时,不得将节点板焊接在钢管壁上,以防止管壁拉断。
7、钢管支架内不得浇筑混凝土,以免影响抗震性能。
8、12层以下不需要地下室,但此时柱脚计算的反力必须加大。 严格来说,它必须能够承受大地震时的反作用力而不被损坏。 6度、7度地区允许采用外包柱脚,8度及以上地区宜采用嵌入式柱脚。 不允许使用铰接柱底座。
4、钢结构住宅的设计应尊重住宅使用的基本要求。
对于钢结构住宅,我们不能因为要推广钢材在建筑中的应用,就简单地强行将其用于住宅结构。 这对于推广钢结构住宅没有实际意义。 相对而言,公共建筑、体育场馆、工业厂房等是钢结构在施工中最能发挥其优势的领域。 近年来,我们深刻感受到了这种应用的变化。
今日商家推荐
今日商机推荐


