扣件式钢管脚手架
立杆要求
(1)立杆采用对接加长时,立杆的对接扣件宜交错布置。 相邻两根立杆的接头不应同步设置。 同步时一根立杆的两相距接头在高度方向错开的距离不应小于500mm; 每个关节中心到主节点的距离不应大于步距的1/3。
(2)立杆长度搭接时,搭接长度不应小于1m,并应采用不少于2个旋转紧固件固定。 端部紧固件盖边缘至杆端的距离不应小于100mm。
(3)开始立杆时,每隔6跨安装一根拉杆,待与墙体连接件安装稳定后,方可根据情况拆除。
(4)到达有连墙件的结构点时,立杆、纵向横杆、横向横杆立好后,应立即安装连墙件。
(5)立杆顶部应高出女儿墙上表面1m,高出檐口上表面1.5m。

纵向水平杆架设要求
(1)纵向横杆宜设置在立杆内侧,单杆长度不应小于3跨。
(2)纵向水平杆的长度应采用对接紧固件连接,也可采用搭接接头。
(3)纵向水平杆的对接紧固件宜错开布置,相邻两根纵向水平杆的接头不应同步布置或在同一跨内布置。
(4)不同步或跨度不同的相邻两接头之间的水平错开距离不应小于500mm。 各节点中心至最近主节点的距离不应大于纵向距离的1/3。
(5)搭接长度不应小于1m,并等间隔设置3个旋转紧固件进行固定。 端部紧固件盖边缘至搭接纵向水平杆端部的距离不应小于100mm。
(6)采用冲压钢脚手板、木脚手板、竹串脚手板时,应用纵向横杆作为横向横杆的支撑,并用直角扣件固定在竖杆上。
(7)采用竹篱笆脚手架板时,纵向横杆应用直角扣件固定在横向横杆上,并应等间距设置,间距不宜大于400mm。
(8)封闭式脚手架同一台阶,纵向水平杆应四周环绕并用直角扣件和内外角立杆固定。

水平水平杆架设要求
(1)主节点处必须安装横向水平拉杆钢结构需要搭设脚手架吗,并用直角紧固件紧固,严禁拆卸。
(2)工作层非主要节点处的横向水平杆应根据支撑脚手架板的需要等间距设置。 最大间距不应大于纵向距离的1/2。
(3)采用冲压钢脚手架板、木脚手架板、竹串脚手架板时,双排脚手架的横向横杆两端应用直角扣件与纵向横杆固定。 单排脚手架水平水平杆一端应用直角扣件固定在纵向水平杆上,另一端插入墙内,插入长度不应小于180mm。
(4)使用竹篱笆脚手架板时,双排脚手架的水平横杆两端应用直角扣件固定在竖杆上。 单排脚手架水平横杆一端应用直角扣件固定在立杆上,另一端插入墙内,插入长度不应小于180mm。
(5)双排脚手架靠墙水平横杆端部距墙面装饰面的距离不宜大于100mm。
(6)单排脚手架的水平横杆不宜设置在下列位置:
①设计不允许有脚、手和眼睛。
②门楣与门楣两端之间60°的三角形范围内,门楣净跨1/2的高度范围内。
③窗户之间的墙宽度小于1m。
④ 梁或梁垫板下及两侧500mm范围内。
⑤砖砌体的门窗洞口在两侧200mm、角部450mm范围内,其他砌体的门窗洞口在两侧300mm、角部600mm范围内。
⑥壁厚≤180mm。
⑦独立或附着的砖柱、空心砖墙、加气块墙等轻质墙体。
⑧砌筑砖墙,砂浆强度等级小于或等于M2.5。

开门安装要求
(1)单、双排脚手架门洞宜采用上升斜杆、平行弦桁架结构。 斜杆与地面的倾斜角α应在45°~60°之间。
(2)单排脚手架门洞外,各段平面桁架之间应设置斜腹杆。 对于双排脚手架门洞处的空间桁架,除下弦平面外,其余五个平面均应设置斜腹杆。
(3)斜腹杆应用旋转紧固件固定在与之相交的横向水平杆的凸壁上。 旋转扣件中心线至主节点的距离不应大于150mm。
(4)当斜腹杆在一跨内跨越两级台阶时,宜在相交的纵向水平杆处增设横向水平杆,并将斜腹杆的伸出端固定。
(5)斜腹杆宜为全长杆。 当必须延长使用时,应采用对接紧固件连接,也可采用搭接接头。
(6)单排脚手架穿过窗洞时,应增设立杆或纵向水平杆。
(7)门洞桁架下两侧立杆宜采用双管立杆,辅助立杆高度宜比门洞高1~2级。
(8)门洞桁架内伸出上下弦杆的端部应在墙上设有防滑扣件。 紧固件应靠近主节点处的紧固件。
剪刀撑和横向斜撑的安装要求
(1)双排脚手架宜设剪刀撑和横向斜撑,单排脚手架宜设剪刀撑。
(2)跨越立杆的剪刀撑数量应按表3-2的规定确定。

表3-2 跨越立杆的剪刀撑最大数量
(3)每个剪刀撑的宽度不宜小于4跨,且不宜小于6m。 斜杆与地面的倾斜角度应在45°至60°之间。
(4)高度小于24m的单、双排脚手架,必须在外两端、转角和立面设置剪刀撑,中间间隔不大于15m,并应连续安装从下到上。
(5)高度24m及以上的双排脚手架应在整个外立面连续设置剪刀撑。
(6)剪刀撑斜杆伸出长度应搭接或对接。
(7)剪刀撑斜杆应用旋转扣件固定在与之相交的横横杆或竖杆的延长端上。 旋转扣件中心线至主节点的距离不应大于150mm。
(8)双排脚手架横向斜撑的设置应符合下列规定。
① 横向斜撑应在同一截面之间自下而上呈锯齿状连续布置。
② 敞开式双排脚手架两端必须设置横向斜撑。
③高度24m以下的封闭式双排脚手架,可不设横向斜撑。 对于高度超过24m的封闭式脚手架,除拐角处设置横向斜撑外,中间还应每6跨设置1个。
(9)脚手架剪刀撑和单、双排脚手架横向斜撑应与立杆、纵向、横向水平杆等同时架设,不得迟装。
栏杆和踢脚板的安装要求
(1)外杆内侧应安装栏杆和踢脚板。
(2)栏杆上皮高度宜为1.2m。
(3)护脚板高度不应小于180mm。
(4)中间应设置中间栏杆。
立式、卧式扫地杆架设结构要求
(1)脚手架必须设有垂直和水平的扫杆。
(2)纵向扫地杆应采用直角紧固件固定在距基体上皮不超过200mm的立杆上。
(3)水平扫杆也应用直角紧固件固定在纵向扫杆正下方的竖杆上。
(4)当立杆基础不在同一高度时,高处的立扫杆必须向低处延伸两跨并固定在立杆上。 高度差不应大于1m。
(5)斜坡上方立杆轴线至斜坡的距离不应小于500mm。
连接墙部件安装的结构要求
(1)接墙件的安装应与脚手架搭设同时进行,不得晚于安装。
(2)当单排或双排脚手架的施工操作水平高于相邻连接墙部分2级时,应采取临时系留措施,以保证脚手架的稳定性。 可根据情况拆除,直至上层连接墙部分竖立起来。
(3)应靠近主节点安装,距主节点的距离不宜大于300mm。
(4)安装应从底层纵向横杆第一级开始。 当此处设置出现困难时,应采用其他可靠的措施来解决。
(5)宜采用菱形布局,也可采用正方形、长方形布局。
(6)开口式脚手架两端必须设有墙面连接件。 墙体间的垂直间距不宜大于建筑物层高,且不宜大于4m。
(7)高度超过24m的双排脚手架,必须采用刚性墙体连接件与建筑物可靠连接。
(8)连接墙部位的连接墙拉杆或拉杆应水平设置。 当无法水平设置时,与脚手架连接的一端应向下倾斜,而不是向上连接。
(9)当脚手架下部暂时无法与墙壁连接时,可搭设插入式支撑。 投掷支架应采用全长拉杆与脚手架可靠连接,与地面的倾斜角度宜在45°~60°之间。 连接点中心至主节点的距离不应大于300mm。 只有在墙壁连接部件安装完毕后才能拆除投掷支撑。
(10)当抬高超过40m且有风涡时,应采取接墙措施,抵抗上翻效应。

脚手架拆除要求
(1)拆除脚手架前,应全面检查脚手架的扣件连接、墙体连接件、支撑系统等是否符合结构要求。
(2)专用脚手架方案中的拆除顺序和措施应根据检查结果进行补充和完善,经批准后方可拆除。
(3)脚手架拆除前,单位项目负责人应进行拆除安全技术交底。
(4)拆除脚手架前,应清除脚手架上的杂物和地面障碍物。
(5)拆除作业必须自上而下逐层进行。 严禁从上到下同时工作。
(6)连接墙部分必须随脚手架逐层拆除。 严禁在拆除脚手架前先拆除整层或数层连接墙部分。 分段拆除的高度差不应大于两步。 若高差大于两级,应增设墙体连接件进行加固。
(7)当脚手架拆除至下部最后一根长立杆高度(约6.5m)时,应在适当位置搭设临时支撑进行加固,然后拆除与墙体连接的部分。
(8)当脚手架分段、分侧拆除时钢结构需要搭设脚手架吗,不拆除的脚手架两端应先用墙件和横向斜撑加固。
(9)严禁将拆下的部件扔到地上。
(10)运至地面的构件应按规定及时检查、维修和保养,并按品种、规格随时堆放、存放。
扣件脚手架工程验收
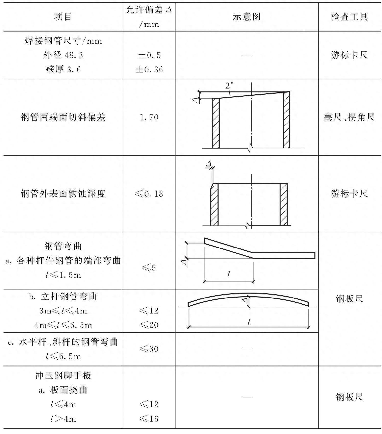
(1)零部件的检查和验收。 元件偏差应符合表3-3的规定。

表3-3 元件允许偏差
延续表

表3-3 元件允许偏差
(二)脚手架检查验收
① 脚手架及其基础应分以下阶段进行验收:
A。 基础完成后、脚手架搭设前;
b. 在工作层上施加荷载之前;
C。 每次安装完成后高度为6至8米;
d. 达到设计高度后;
e. 遭遇六级大风、大雨后;
F。 寒冷地区结冰后;
G。 停止使用1个月以上。
② 脚手架验收时应遵循下列技术文件:
A。 《建筑扣件钢管脚手架安全技术规范》(JGJ 130-2011)的相关规定;
b. 施工组织设计及变更文件;
C。 技术披露文件。
③使用脚手架时,应定期检查以下项目:
A。 杆件的设置与连接、连接墙件、支撑、开门桁架等结构是否符合要求;
b. 地基是否有积水,底座是否松动,立杆是否悬空;
C。 紧固螺栓是否有松动;
d. 对于高度超过24m的双排全厅脚手架,立杆的沉降和垂直度偏差是否满足表3-4中序号1和2的要求; 高度超过20m的全厅脚手架,立杆沉降与垂直度偏差应符合表3-4中序号1、3的规定;
e. 安全防护措施是否符合要求;
F。 是否超载。
④脚手架搭设的技术要求、允许偏差和检验方法应符合表3-4的规定。
表3-4 脚手架搭设技术要求、允许偏差及检验方法

表3-4 脚手架搭设技术要求、允许偏差及检验方法

表3-4 脚手架搭设技术要求、允许偏差及检验方法

⑤ 紧固件螺栓安装后的拧紧扭矩应用扭矩扳手检查,取样方法应按照随机分配的原则。 抽样检验数量和质量判定标准应按表3-5的规定确定。 那些不合格的必须再次收紧,直到通过。

表3-5 紧固件紧固抽检次数及质量判定标准
扣件脚手架工程的安全管理
(1)脚手架搭设人员必须是经过国家标准考核的专业脚手架工。 在岗员工应当定期进行体检,体检合格后方可持证上岗。
(2)搭设脚手架的人员必须佩戴安全帽、安全带、防滑鞋。
(3)脚手架的构件和搭设质量应按规定进行检查验收,合格后方可使用。
(4)严禁在钢管上钻孔。
(5)工作层施工荷载应符合设计要求,不得超载。 脚手架上不得固定模板支撑、风绳、泵送混凝土和砂浆的输送管等。 严禁悬挂起重设备,严禁拆除、移动车架上的安全防护设施。
(6)六级及以上大风、雾、雨、雪天气时,应停止脚手架架设、拆除作业。 雨雪后货架作业时应采取防滑措施,并清除积雪。
(7)应定期对脚手架进行安全检查和维护。 安全网的设置或者拆除应当按照有关规定执行。
(8)脚手架使用过程中,严禁拆除下列杆件:
①主节点垂直、水平水平杆、垂直、水平扫杆;
②与墙壁连接的部件。
(9)脚手架使用过程中在脚手架基础下开挖设备基础或管沟时,必须对脚手架采取加固措施。
(10)临街搭设脚手架时,外部应采取防护措施,防止坠物砸伤。
(11)在脚手架上进行电焊、气焊作业时,必须采取防火措施,并专人看守。
(12)施工现场临时用电线路的架设、脚手架的接地、防雷措施等应按照现行行业标准《施工临时用电安全技术规范》的有关规定执行。站点”(JGJ 46-2005)。
(13)搭设、拆除脚手架时,地面应设置围栏和警示标志,并指定专人看守。 非操作人员严禁进入。